Un’escursione per fotografare cervi si trasforma in una scoperta destinata a fare storia. Domenica 14 settembre 2025, nel Parco nazionale dello Stelvio, il fotografo naturalista Elio Della Ferrera individua per caso migliaia di impronte fossili risalenti a circa 210 milioni di anni fa. Orme di dinosauri, estese per centinaia di metri su un versante roccioso impervio, a oltre duemila metri di quota. Una scoperta eccezionale per la paleontologia europea, destinata a riscrivere la mappa preistorica delle Alpi.
La scoperta nasce da un dettaglio colto con il binocolo. Su una parete scoscesa, apparentemente inaccessibile, Della Ferrera nota superfici rocciose con strati quasi verticali, segnati da tracce insolite. Segni regolari, ripetuti, tutt’altro che casuali. “Quando ho visto quelle forme ho pensato subito a delle impronte”, racconta. “Ma la natura sa ingannare. Per questo ho voluto raggiungere la base della parete. Solo allora mi sono trovato davanti qualcosa di incredibile”.
Orme antiche su pareti inaccessibili
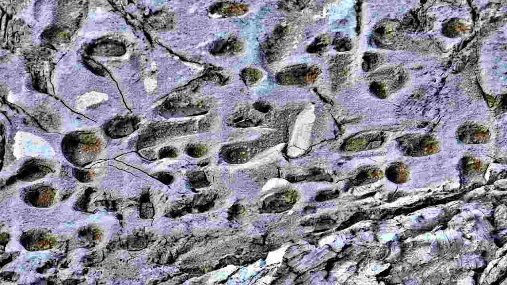
Davanti ai suoi occhi si aprono camminamenti fossili lunghi centinaia di metri. File parallele di impronte, alcune con un diametro che arriva a quaranta centimetri, distribuite con una regolarità che esclude ogni spiegazione geologica casuale. È la firma di branchi in movimento, congelata nel tempo. La segnalazione viene immediatamente girata agli esperti e l’area attira l’attenzione del Museo di Storia Naturale di Milano.
Le prime analisi confermano l’eccezionalità del sito. “I dinosauri che vivevano nello Stelvio erano molto simili al Plateosaurus”, spiega il paleontologo Cristiano Dal Sasso. “Animali bipedi, con collo lungo e testa piccola, erbivori, capaci di muoversi in grandi branchi”. Gli esemplari più grandi potevano raggiungere i dieci metri di lunghezza e un peso di quattro tonnellate. Le orme raccontano non solo la presenza, ma anche il comportamento sociale di questi animali nel Triassico superiore.
Tecnologia e attesa per studiare il sito
L’area della scoperta non è raggiungibile tramite sentieri segnalati. La morfologia del versante e le condizioni ambientali impongono prudenza. Per questo gli studiosi dovranno ricorrere a droni e tecnologie di telerilevamento per mappare con precisione le superfici fossilifere. I sopralluoghi diretti, spiegano gli esperti, potranno iniziare solo tra giugno e luglio, dopo lo scioglimento delle nevi, a quote comprese tra i 2.400 e i 2.800 metri. Serviranno settimane di lavoro per completare i rilievi.
Nel frattempo la Regione Lombardia guarda già oltre la ricerca. L’obiettivo dichiarato è rendere l’area, almeno in parte, fruibile anche al pubblico, senza comprometterne l’integrità. Si ipotizza l’allestimento di uno o più punti di osservazione a distanza, dotati di cannocchiali. “È un giacimento tra i più ricchi al mondo”, afferma il presidente Attilio Fontana. “Consentirà studi fondamentali per ricostruire l’ambiente dell’epoca e capire la storia geologica del nostro territorio. È una scoperta di carattere eccezionale”.
Quando lo Stelvio era riva oceanica
L’aspetto più sorprendente resta la posizione delle impronte. Oggi si trovano su pareti quasi verticali, ma l’immagine è ingannevole. In origine quella superficie era una riva fangosa e calcarea affacciata su un antico oceano. I movimenti tettonici e l’orogenesi alpina hanno fatto il resto, sollevando e ruotando gli strati fino a trasformarli in una parete rocciosa. Un ribaltamento che, paradossalmente, ha protetto le orme per oltre duecento milioni di anni, restituendole ora alla storia e alla scienza.
